Корзина пуста.
г. Орша, ул. 1-Мая, 125
+375 (29) 892-16-79, +375 (29) 592 58 20 (МТС), 8 (0216) 51-94-44 (тел./факс)
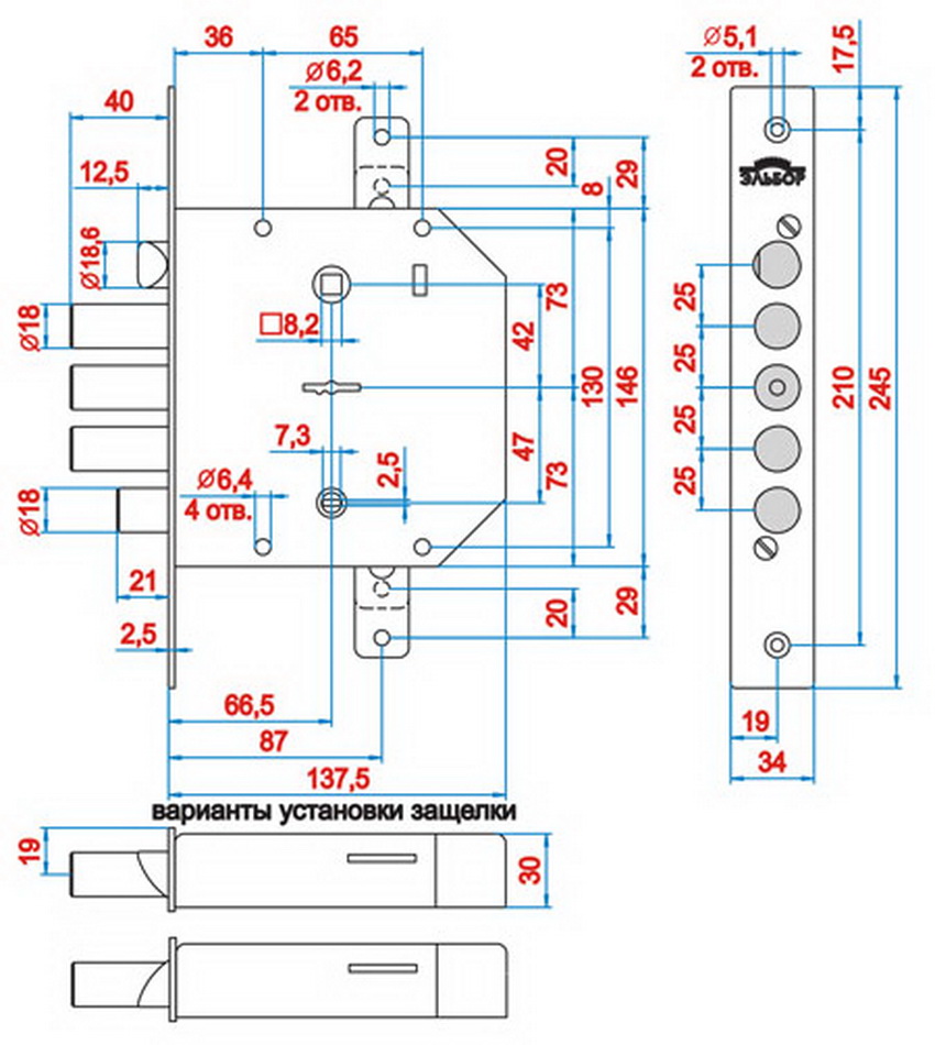
Замок врезной сувальдный с задвижкой, защелкой и тягами. Правосторонний. Предназначен для металлических дверей. Замок имеет засов из трех цилиндрических ригелей диаметром 18 мм, с максимальным вылетом 40 мм, защелку диаметром 18,6 мм и задвижку с вылетом 21 мм. Удаление ключевого отверстия 66,5 мм. Межосевое расстояние 42 мм (до защелки) и 47 мм (до задвижки). Количество оборотов ключа - 4. Габариты замка - 137,5х146х30 мм. Комплектация - 5 ключей.



